Search

Metallography of Aluminum and Aluminum alloys Overview and Preparation

Aluminum metallography is the study and examination of the microstructure of aluminum and its alloys, typically using polished and etched samples under a microscope. This process is a core part of aluminum testing and quality control, revealing details like grain size, phase distribution, and any microscopic defects or impurities. By understanding the metallography of aluminum, industries can ensure that aluminum materials meet the required strength, durability, and performance standards.

To address these aspects effectively, this page is divided into two parts:

  • Overview – Fundamentals and Key Aspects
    This section offers a concise introduction to the most important properties of aluminum materials and their relevance in metallography. It is ideal for users seeking a quick orientation or a foundational understanding.
  • In-Depth Insights and Practical Guidance
    This section provides a comprehensive exploration of aluminum and aluminum alloys from a metallographic perspective. In addition to practical recommendations for selecting appropriate grinding and polishing techniques, it also offers a deeper understanding of the fundamental material characteristics and their implications for sample preparation. Detailed case examples and methodical guidance help bridge the gap between theory and laboratory practice.

Overview – Fundamentals and Key Aspects

Aluminum is a lightweight, silvery metal known for its excellent ductility, thermal/electrical conductivity, and natural corrosion resistance due to a thin oxide layer on its surface. However, pure aluminum (typically 99%+ Al, known as the 1xxx series) is relatively soft and low in strength, so in practice it is usually combined with other elements to form aluminum alloys. Common alloying elements include copper, magnesium, silicon, zinc, and manganese, each producing alloys with different properties. For example, For example:

  • 2xxx (Al-Cu): High strength, used in aerospace
  • 6xxx (Al-Mg-Si): Medium strength, highly formable
  • 7xxx (Al-Zn-Mg-Cu): High strength, used in aerospace and transport

These alloy additions and heat treatments (like the T6 temper) create strengthening precipitates and alter the metal’s grain structure, which aluminum metallography can reveal and analyze.

Aerospace

High-performance aluminum alloys require metallography to confirm precipitation hardening, cladding integrity, and uniform grain size. High-strength aluminum alloys (like 2024 or 7075) are used for aircraft structures, wings, and spacecraft components due to their strength-to-weight ratio. Metallography verifies grain refinement and the presence of strengthening precipitates after heat treatments. After forging or rolling an aerospace alloy, metallography ensures proper fiber texture or grain flow in the component. Additionally, when new aluminum-lithium alloys or advanced composites are introduced, metallography and related testing techniques help certify these materials meet stringent aerospace standards.

Example: In aircraft-grade aluminum, metallographic examination can confirm that the desired precipitation phase (such as Al2Cu in 2xxx series or MgZn2 in 7xxx series) is properly distributed, indicating the alloy has achieved its required mechanical properties

Aerospace

Automotive

Used in engines, wheels, and structural components. Aluminum alloys are widely employed in engines, cylinder heads, transmission housings, wheels, and structural frames to reduce weight. Special high-temperature alloys and cast aluminum (like Al-Si casting alloys) must be free of excessive porosity and have refined microstructures for durability.

The microstructure of alloy wheels, engine blocks, pistons, and body sheet panels are important. A metallographic cross-section of a die-cast aluminum engine block can reveal porosity or shrinkage cavities that could lead to part failure if too large. For electric vehicles and rail transport (e.g. high-speed trains), where aluminum is used for lightweight structures, metallography confirms that extrusions and castings have consistent quality.

Example: Checking the silicon particles in an Al-Si alloy are fine and evenly modified (often achieved by adding modifiers like strontium during casting). Additionally, aluminum testing in this field may include hardness testing of engine components (to verify proper heat treat) alongside microstructural examination.

Automotive

Additive Manufacturing

3D-printed aluminum shows unique microstructures like cellular grains and melt pool boundaries. A rapidly growing special application is the use of aluminum alloys in additive manufacturing. 3D-printed aluminum components (often using powders of alloys like AlSi10Mg) can exhibit unique microstructures – such as very fine cellular grains and distinct melt pool boundaries – due to rapid solidification. Metallography plays a key role in this emerging field by examining layer bonding, porosity, and microstructural characteristics of printed aluminum parts.

Additive Manufacturing

Electronics and Defense

In Al-Li alloys and aluminum heat sinks, metallography ensures homogeneity and bond quality. Some defence applications use aluminum alloys in armored vehicles or high-strength, lightweight enclosures. Special aluminum alloys containing lithium (Al-Li alloys) have been developed to further reduce weight for aerospace and defense; these alloys require careful metallographic examination to ensure the new phases (like Al3Li precipitates) are present and evenly dispersed. Across these industries, aluminum metallography serves as a bridge between material science and practical engineering. It allows engineers to see the internal story of an aluminum part – whether it’s confirming a production process was successful, or diagnosing why a component didn’t perform as expected.

Importantly, metallography is often accompanied by other testing methods (mechanical tests, chemical analysis, etc.), but it provides the visual evidence of material structure that other tests cannot. Many companies have internal laboratories or collaborate with material testing labs to perform metallography on aluminum samples as part of their routine quality assurance.

Electronics and Defense

The Aluminum Metallography Process

Cutting

Abrasive cut-off wheels designed for non-ferrous metals with adequate cooling are preferred to minimize damage.

Mounting

Hot mounting with phenolic resin is standard; cold-mount using epoxy resin is used for delicate or heat-sensitive samples.

Grinding / Polishing

Silicon carbide papers and diamond suspensions, progressing from coarse to fine, to prepare the sample with a mirror like finish

Analysis

Material is characterized employing e.g., hardness testing or microscopy

Etching

Sample is treated with etchants to enhance surface contrast

In-Depth Insights and Practical Guidance

Aluminum applications can be found in almost all areas of the economy and modern life. According to current statistics, (primary) aluminum production worldwide has almost doubled in the past decade - an unprecedented development for industrial material. Aluminum industry owes this development to its properties like low specific weight, one third of steel which makes it an appealing alternative for energy-saving lightweight construction. The other important properties of Aluminum and its alloys are the wide range of manufacturing options like casting, forming, extrusion, forging etc.

Also, versatile shaping options like machining, deep drawing, stretching, bending, punching etc. make Aluminum a flexible material for many applications. Aluminum and its alloys exhibit excellent corrosion resistance, which can be further enhanced through anodizing and various coating techniques. These materials offer a broad spectrum of mechanical strengths, ranging from 70 to 800 MPa. Aluminum is a non-toxic material, rendering it highly suitable for use as packaging for food products. Additionally, aluminum possesses excellent electrical conductivity and high thermal conductivity.

Pure Aluminum
Pure Aluminum
Wrought Aluminum Alloys
Wrought Aluminum Alloys
Casting Aluminum Alloy
Casting Aluminum Alloy

Metallographic preparation of aluminum is important for several reasons:


Quality control: Metallography is essential in quality control processes to detect defects such as porosity, segregation, cracks, or improper phase formation that may affect the material's performance.

Process Optimization: By examining the effects of different processing methods (e.g., casting, rolling, heat treatment) on aluminum, metallography helps optimize manufacturing parameters to achieve desired mechanical and physical properties.

Failure Analysis: In the event of material failure, metallographic examination provides insights into failure mechanisms, such as fatigue, corrosion, or embrittlement, aiding in root cause analysis.

Research and Development: Metallographic studies contribute to the development of new aluminum alloys and processing techniques by facilitating the correlation between composition, processing, microstructure, and properties. Due to the softness and ductility of aluminum, meticulous preparation is necessary to avoid introducing artifacts, such as scratches, smearing, or deformation, which could obscure or alter the true microstructural features.  

In the subsequent section, the most critical aspects of metallographic preparation for Aluminum and its alloys will be presented.

The microstructure of an Aluminum alloy after final polishing – 100:1
The microstructure of an Aluminum alloy after final polishing – 100:1
The microstructure of an Aluminum casting alloy after final polishing – 25:1
The microstructure of an Aluminum casting alloy after final polishing – 25:1
The microstructure of a wrought Aluminum alloy after electrolytical etching – 100:1
The microstructure of a wrought Aluminum alloy after electrolytical etching – 100:1

Cutting

The cutting of pure Aluminum and Aluminum alloys is a challenge because of the softness of the Aluminum. The optimal cut-off disc for these alloys are the ones with SiC abrasive particles. The SiC cut-off discs with harder bonding material can provide the best results. Due to the lower hardness of silicon carbide particles compared to aluminum oxide particles, these cut-off wheels are the optimal choice for cutting soft material like pure Aluminum.

Cut-off wheel selection according to material hardness
Cut-off wheel selection according to material hardness
The pure Aluminum rod clamped in QCUT 250 M
The pure Aluminum rod clamped in QCUT 250 M

Mounting

Aluminum samples may be mounted using hot mounting, cold mounting, or UV-curing techniques. For samples that are sensitive to temperature or pressure, such as painted, thin, or coated samples, cold mounting or UV-curing methods are recommended to prevent potential damage. UV-mounting is the most rapid mounting method for pure aluminum samples when edge retention is not a critical requirement.

QMOUNT – The UV-mounting machine from QATM
QMOUNT – The UV-mounting machine from QATM
QPRESS 40 – The newest hot mounting press from QATM
QPRESS 40 – The newest hot mounting press from QATM

UV Mounting

Device Consumable Curing time Mold
QMOUNT Qprep UV 50 1 min. QMOULD clear, ø 40 mm
The Aluminum sample after UV-Mounting for just 1 minute.
The Aluminum sample after UV-Mounting for just 1 minute.

Cold mounting - First option

Consumable Mixing ratio / Volume Curing time Mold Additional equipment
KEM 20 Powder : Liquid 2 :1 15 min QMOULD
clear/white
Ø 40 mm
Mixing cup
Mixing spoon
Mixing stick
Pressure unit 95016569
Notes
For better transparency complete curing process should be carried out in the pressure unit 95016569

Cold mounting - Second option

Consumable Mixing ratio / Weight Curing time Mold Additional equipment
Qpox 92 Resin : Hardener 20 g: 4,6 g 8 hours PP, Ø 40 mm Mixing cup
Scale
Mixing stick
Infiltration unit M6500001
Notes
The mounting process with Qpox 92 should be done with vacuum. For that use Infiltration unit
Casting Aluminum PoDFA samples cold mounted in KEM 20
Casting Aluminum PoDFA samples cold mounted in KEM 20

Hot mounting - First option

Device Consumable Heating time Temperature Pressure Cooling time
QPRESS 40 Bakelite black 4:45 min 200 °C 250 bar 3:30 min
Filler or additional consumables Heating power Pressure mode Cooling power Piston with ø 40 mm
- 100 % 1 level mode 100 %
Notes
Deburr and clean the samples before mounting.
Pure Aluminum samples hot mounted in EPO-Black
Pure Aluminum samples hot mounted in EPO-Black

Need more information?

If you have any further inquiries, don’t hesitate to reach out via our contact form. We’re always happy to assist you in finding the best solution for your metallographic sample preparation needs.

Pure Aluminum

Pure aluminum is a lightweight metal with a density of approximately 2.7 g/cm³ and a melting point of 660°C. If the purity of Aluminum is more than 99%, it counts as pure Aluminum. The crystallographic structure of pure Aluminum is Face-centered cubic. It is characterized by a bright, silver appearance and excellent corrosion resistance due to the rapid formation of a stable, protective oxide film on its surface. Aluminum is highly ductile and malleable, enabling it to be drawn into wires or rolled into thin sheets. It has relatively low tensile strength in its pure form (about 90 MPa when annealed), but it can be significantly strengthened through alloying or cold working. Pure aluminum is also an outstanding conductor of heat and electricity, non-magnetic, and non-toxic. In the wrought groups 1xxx group represents pure Aluminum like EN AW 1050A. Pure aluminum is typically utilized in non-load-bearing applications, including the manufacture of cables, cans, electronic components, foils, wires, household goods, and packaging materials.

Grinding / Polishing

Among various consumables, silicon carbide (SiC) paper is the most suitable choice for the preparation of pure aluminum samples. Due to the inherent softness of pure aluminum, the material is highly susceptible to deformation during sample preparation. The use of aggressive consumables, such as diamond grinding discs, can introduce preparation artifacts and compromise the microstructural integrity of the sample. Provided that sectioning has been conducted appropriately, initial grinding can commence with SiC paper of P600 grit. This is followed by a second grinding step using SiC paper of P1200 grit; after approximately two minutes of grinding, the sample is ready for the polishing stage.

For the polishing of pure aluminum, soft polishing cloths are recommended to minimize surface deformation. Sigma cloth, a medium-hard silk cloth, is suitable for the initial polishing steps. For the 1 µm polishing stage, Zeta cloth—a short flocked, soft synthetic cloth—should be employed. For final polishing, OMEGA cloth, a chemically resistant soft synthetic cloth, is recommended. The complete sequence of grinding and polishing steps is summarized in the table.

 

The sample surface after final polishing without scratches and deformation
The sample surface after final polishing without scratches and deformation
Logitudinal microstructure of pure Aluminum after electrolytical etching with Barker
Logitudinal microstructure of pure Aluminum after electrolytical etching with Barker

Etching

The objective of etching pure aluminum samples is to selectively reveal the microstructural features, such as grain boundaries or grain size as well as impurities that are otherwise indistinguishable in the polished, unetched state. Etching enhances the contrast between different microstructural components by preferentially attacking specific areas of the sample, allowing for detailed examination of grain size, shape, and distribution under optical or electron microscopy. This process is essential for accurate metallographic analysis and characterization of pure aluminum. There are two main processes to etch the pure Aluminum samples. First is the normal immersing process in etchant. Here the Sodium hydroxide from QATM can be used. The other technique is electrolytic etching. Electrolytic etching of pure aluminum is a metallographic technique used to reveal its microstructure by applying an electrical current in an appropriate electrolyte solution. During the process, the aluminum sample acts as the anode, and selective dissolution occurs at grain boundaries and other microstructural features. This method offers controlled and uniform etching, minimizing mechanical damage and enhancing the visibility of fine details such as grain boundaries and inclusions. Electrolytic etching is particularly effective for pure aluminum due to its softness and tendency to deform under mechanical polishing, resulting in clearer and more reproducible microstructural observations.

QETCH 1000 is a fully automatic electrolytic polisher and etcher with intuitive touch-screen operation. Polishing and etching unit and control unit are separated, also the Qetch 1000 can be used in the lab fume cabinet. A scan function displays the current voltage curve of a material and provides polishing results quickly without structural changes. Handling of the polishing and etching unit was facilitated significantly by the interchangeable 1 ltr. electrolytic tanks. Different electrolytes can be changed and easily stored with lid. The unit is cleaned with water by a washing program.

QETCH 1000 – Electrolytical polishing and etching machine from QATM
QETCH 1000 – Electrolytical polishing and etching machine from QATM
The microstructure of pure Aluminum on the edge area after etching with Barker – 25:1
The microstructure of pure Aluminum on the edge area after etching with Barker – 25:1
The microstructure of pure Aluminum in the core area after etching with Barker – 25:1
The microstructure of pure Aluminum in the core area after etching with Barker – 25:1

Wrought Aluminum Alloys


The classification system used internationally distinguishes between wrought alloys [DIN EN 573] and castings [DIN EN 1780]. Wrought alloys are aluminum alloys that are cast into ingots or strips using the continuous casting process and are used exclusively for the manufacture of rolled, pressed and drawn products. In contrast, cast alloys are used exclusively to produce molded castings due to their better mold filling properties and resistance to hot cracking. The standard designation of Aluminum alloys uses the following system:

  • The prefix EN, followed by a space
  • The A for Aluminum
    Then a letter which shows the manufacturing process
  • W for wrought Aluminum and C for Cast Aluminum
  • Optional is B for unalloyed and alloyed Aluminum ingots and M for master alloys
  • A hyphen
  • Four digits (for wrought alloys) and five digits (for cast alloys) to define the alloy composition or the chemical symbol Al followed by the symbols of the main alloying elements and their average nominal composition in wt. %.


The distinct designation systems for wrought and cast aluminum alloys, as well as their respective material conditions, necessitate a separate and detailed presentation for each category. For the wrought alloy the four digits in the description indicated the alloy group, which is characterized by one or more main alloying elements. The alloy groups also differ in terms of hardenability or non-hardenability (the latter are also referred to as “naturally hard” or work-hardening alloys).

Group Alloy type Example Hardenability
1XXX Pure Aluminum
EN AW-1050A
EN AW-1070A
Not hardenable
2XXX AlCu
EN AW-2219
EN AW-2024
Hardenable
3XXX AlMn
EN AW-3105
EN AW-3003
Not hardenable
4XXX Al Si
EN AW-4032
EN AW-4046
Not hardenable
5XXX Al Mg
EN AW-5005
EN AW-5182
Not hardenable
6XXX Al MgSi
EN AW-6061
EN AW-6082
Hardenable
7XXX Al ZnMg
EN AW-7075
EN AW-7020
Hardenable
8XXX Others
EN AW-8006
EN AW-8011A
Not hardenable
9XXX Not to be used
- -

The most important metallographic analyses for aluminum wrought alloys include:


The most important metallographic analyses for aluminum wrought alloys include:

Grain Size Measurement: Determining the grain size provides insight into the alloy’s mechanical properties, such as strength and ductility, and is essential for quality control and process optimization.

Assessment of Second-Phase Particles and Inclusions: Identifying and characterizing intermetallic phases, precipitates, and non-metallic inclusions helps evaluate the alloy’s purity, mechanical performance, and corrosion resistance.

Examination of Microstructure and Texture: Observing the distribution, size, and orientation of grains and phases reveals information about deformation processes, recrystallization, and the effects of thermomechanical treatments.

Evaluation of Grain Boundary Character: Analyzing grain boundary types and distributions assists in understanding the alloy’s susceptibility to phenomena such as intergranular corrosion and cracking.

Detection of Defects: Identifying casting or processing defects, such as porosity, cracks, or segregation, is crucial for ensuring the integrity and performance of the wrought alloy.

Layer and Coating Analysis: In coated or surface-treated alloys, metallography is used to assess the thickness, adherence, and uniformity of coatings.
 

Also, the strength range of various wrought Aluminum alloys can be seen in the tables below:

Alloy series Alloy composition Strengthening method Tensile strength range (MPa) Tensile strength range (ksi)
1XXX Al
Cold work 70-175 10-25
2XXX Al-Cu-Mg (1-2.5 % Cu)
Al-Cu-Mg-Si (3-6% Cu)
Heat treatment
Heat treatment
170-310
380-520
25-45
55-75
3XXX Al-Mn-Mg Cold work
140-280 20-40
4XXX Al Si Cold work + heat treatment 105-350 15-50
5XXX Al-Mg(1-2.5% Mg)
Al-Mg-Mn (3-6% Mg)
Cold work
Cold work
140-280
280-380
20-40
40-55
6XXX Al-Mg-Si Heat treatment 150-380 22-55
7XXX Al-Zn-Mg
Al-Zn-Mg-Cu
Heat treatment
380-520
520-620
55-75
75-90
8XXX Al-Li-Cu-Mg Heat treatment
280-560 40-80

Grinding / Polishing

The microstructure of Al-Si alloy after final polishing – 200:1
The microstructure of Al-Si alloy after final polishing – 200:1
The precipitates in Al ZnMg in higher magnification
The precipitates in Al ZnMg in higher magnification
Microstructure of Al ZnMg alloy after final polishing - 100:1
Microstructure of Al ZnMg alloy after final polishing - 100:1
The same extruded Aluminum sample after electrolytical etching with Barker
The same extruded Aluminum sample after electrolytical etching with Barker
The casting microstructure of EN AW-2017A after electrolytical etching with Barker
The casting microstructure of EN AW-2017A after electrolytical etching with Barker
Microstructure of Al ZnMg after etching with Sodium hydroxide 7.5% - 100:1
Microstructure of Al ZnMg after etching with Sodium hydroxide 7.5% - 100:1
The microstructure of extruded Aluminum sample after etching with Kroll – 25:1
The microstructure of extruded Aluminum sample after etching with Kroll – 25:1

Casting Aluminum Alloy

DIN EN 1780 governs the classification of castings and casting alloys:2002 (the Aluminum association AA has another classification method)., which utilizes a five-digit designation system as described below

The first digit shows the main alloying element

Group Alloy type
1XXX Pure Aluminum
2XXX Copper
3XXX -
4XXX Silicon
5XXX Magnesium
6XXX -
7XXX Zinc
8XXX Tin
9XXX Master alloy

The second digit shows the type of the alloy.

Alloy type Main elements Example Hardenability (MPa)
21XXX Al Cu
EN AC-21100 Hardenable
411XXX Al SiMgTi
EN AC-41000 Hardenable
42XXX Al Si7Mg EN AC-42200 Hardenable
43XXX Al Si10Mg EN AC-43200 Hardenable
44XXX Al Si EN AC-44000 Not hardenable
45XXX Al Si5Cu EN AC-45000 Partly hardenable
47XXX Al Si (Cu) EN AC-47000 Not hardenable
48XXX Al SiCuNiMg EN AC-48000 Not hardenable
51XXX Al Mg EN AC-51100 Not hardenable
71XXX Al ZnMg EN AC-71100 Hardenable
  • The first digit shows the main alloying element
  • The second digit shows the type of the alloy.
  • The 3rd digit is arbitrary and indicates the special alloy composition.
  • The 4th digit is generally 0.
  • The 5th digit is always 0 for CEN alloys but never 0 for aerospace AECMA alloys.
  • These digits follow by a letter which shows the casting process like S for sand casting, K for gravity casting, D for die casting and L for investment casting.

Subsequently, the following letters and numbers specify the condition of the alloy, as detailed in the table below:

Temper designation Meaning
F As-cast condition
T1 Controlled cooling after casting and naturally aged
T4 Solution heat treated and naturally aged
T5 Stress relieving treated
T6 Solution heat treated and artificially aged
T64 Solution heat treated and not fully artificially aged (under ageing)
T7 Solution heat-treated and overhardened (artificially aged, stabilized condition)
0 Soft annealing

The physical properties of pure Aluminum at 20°C can be seen in the table below:

Property Value (unit)
Order number 13
Atom weight (rel. atom mass) 26,9815385 (g/mol)
Atom structure FCC
Lattice constant 0.40496 (Nm)
Atom radius 0.1431 (Nm)
Density 2.6989 × 10-9 (kg/m3)
Modulus of elasticity 66.6 (kN/mm2)
Shear modulus 25.0 (kN/mm2)
Poisson's ratio (ν) 0.35
Thermal conductivity 235 (W/m · K)
Melting temperature 660.2 (°C)
Enthalpy of fusion 390 (kJ/kg)
Boiling temperature 2470 (°C)
Enthalpy of vaporisation 11.4 (MJ/kg)
Specific heat capacity (cp) 31 (MJ/kg)
Electrical conductivity 37.67 (m/Ω · mm2)
Specific electrical resistance 26.55 (nΩ m)

Grinding / Polishing

Among various consumables, silicon carbide (SiC) paper is the most suitable choice for the preparation of pure aluminum samples. Due to the inherent softness of pure aluminum, the material is highly susceptible to deformation during sample preparation. The use of aggressive consumables, such as diamond grinding discs, can introduce preparation artifacts and compromise the microstructural integrity of the sample. Provided that sectioning has been conducted appropriately, initial grinding can commence with SiC paper of P600 grit. This is followed by a second grinding step using SiC paper of P1200 grit; after approximately two minutes of grinding, the sample is ready for the polishing stage. For the polishing of pure aluminum, soft polishing cloths are recommended to minimize surface deformation. Sigma cloth, a medium-hard silk cloth, is suitable for the initial polishing steps. For the 1 µm polishing stage, Zeta cloth—a short flocked, soft synthetic cloth—should be employed. For final polishing, OMEGA cloth, a chemically resistant soft synthetic cloth, is recommended. The complete sequence of grinding and polishing steps is summarized in the table.

The dendritic microstructure of casting Aluminum alloy after electrolytical etching with Barker
The dendritic microstructure of casting Aluminum alloy after electrolytical etching with Barker
The dendritic microstructure of casting Aluminum alloy after electrolytic polishing and etching with QETCH 1000
The dendritic microstructure of casting Aluminum alloy after electrolytic polishing and etching with QETCH 1000
The eutectic microstructure between the dendrites
The eutectic microstructure between the dendrites
The microstructure of Al-Si casting alloy
The microstructure of Al-Si casting alloy
The microstructure of Al-Si Aluminum alloy
The microstructure of Al-Si Aluminum alloy

Aluminum metallography - FAQ

What does aluminum metallography involve and why do we do it?

Aluminum metallography involves preparing a sample of an aluminum or aluminum alloy (through cutting, mounting, grinding, polishing, etching) and then examining it under a microscope to study its microstructure. We do this to understand the material’s internal structure – features like grain size, phases present, distribution of alloying elements, and any defects. This information is crucial because the microstructure of aluminum directly influences its properties (strength, ductility, corrosion resistance, etc.). For example, metallography can confirm if an aluminum alloy received the proper heat treatment by revealing the presence of strengthening precipitates. It is widely used for quality control (to verify that materials meet specifications) and for failure analysis (to find out what went wrong at the microscopic level if a component failed).

How is aluminum metallography different from steel metallography?

The fundamental principles are similar (prepare a polished sample and etch it), but aluminum metallography has its own challenges and techniques compared to steel. Aluminum is softer than most steels, so it is more prone to scratches and mechanical deformation during preparation, requiring finer grinding steps and gentle polishing. Also, aluminum instantly forms an oxide layer that can complicate etching, whereas steels typically don’t have such an immediate oxide film after polishing. The etchants for aluminum are different (e.g. Keller’s reagent for aluminum vs. nital for steel) and often more chemically aggressive due to that oxide.

In terms of microstructure, aluminum alloys don’t show features like the iron-carbon phases (ferrite/pearlite) seen in steels; instead, you’ll see different intermetallic compounds or precipitates depending on the alloy. In summary, while the goal of metallography is similar for any metal (revealing microstructure), the preparation consumables and etchants and the resulting structures for aluminum are distinct.

What are common tests included in aluminum testing besides metallography?

Beyond metallographic examination, aluminum testing can encompass several mechanical and chemical tests. Common mechanical tests include hardness testing (using, for example, a Vickers hardness tester to measure how resistant the aluminum is to indentation), tensile testing (to measure yield strength, ultimate tensile strength, and elongation), and impact testing (for toughness). Hardness testing is often done on the same sample prepared for metallography, especially with microhardness indents to correlate hardness with microstructural features.

Chemical analysis (using spectroscopy techniques) is another aspect of aluminum testing to verify the alloy’s composition. Corrosion testing may be performed for applications like marine or aerospace, where aluminum samples are exposed to salt spray or humidity to evaluate protective coatings or alloy resistance. Fatigue testing and creep testing are more specialized tests for aluminum used in high-stress environments. In summary, metallography provides visual internal assessment, and these other tests measure performance characteristics; together they give a comprehensive understanding of an aluminum material’s quality and suitability.

Which etchants are used to reveal aluminum microstructures?

Several chemical etchants are used in aluminum metallography, chosen based on the alloy type and the feature one wants to reveal. The most widely used general etchant is Keller’s reagent, which typically contains nitric acid, hydrochloric acid, hydrofluoric acid, and water in a specific ratio – it’s effective for many wrought and cast aluminum alloys to show grain boundaries and second phases. Kroll’s reagent (a mix of acids originally for titanium) can be adapted for some aluminum alloys, particularly those with copper (it’s noted for use on aluminum-copper alloys). Weck’s reagent is used for color etching: after etching with Weck’s and viewing under polarized light, one can see color contrasts in the microstructure (useful for differentiating constituents or seeing grain structure in certain aluminum alloys).

Another method is Barker’s reagent, which isn’t used by simple immersion etching but rather in an electrolytic anodizing process – it reveals grain structure when observed in polarized light and is often used for precise grain size measurement in aluminum. There are also alkaline etchants (like sodium hydroxide solutions) that can be used to pre-etch aluminum to show features like segregation or to contrast particles (though they must be used carefully to not over-etch the matrix). The choice of etchant depends on what insight is needed: metallographers may try more than one etchant on multiple samples or do sequential etching (etch, observe, then re-polish and etch with another) to get a full picture of the aluminum’s microstructure.

How does hardness testing help in aluminum metallography?

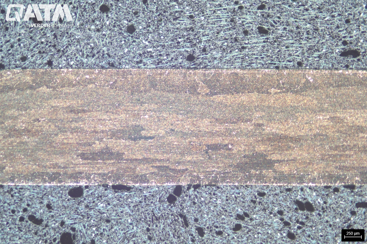
Hardness testing complements metallography by providing quantitative data on a material’s mechanical properties, which can be correlated with the microstructure observed. For aluminum alloys, hardness is often an indicator of strength (for example, a heat-treated aluminum alloy that has formed a dense network of fine precipitates will typically show higher hardness). In practice, after preparing an aluminum metallographic sample, a metallographer might make a series of microhardness impressions across different regions of interest – such as across a weld from the weld metal, through the heat-affected zone, into the base metal – to see how the hardness changes. When examining the microstructure, those indent locations can be viewed to understand why one area is harder or softer (perhaps the harder area had smaller grains or more strengthening precipitates).

Hardness testing is relatively quick and can be done on the same small sample, so it’s a convenient way to bolster the metallographic analysis with numbers. In a production environment, hardness checks on aluminum parts are a quick QC step, and if the values are off, metallography can then be used to investigate the cause (for instance, an unexpectedly low hardness could prompt a look under the microscope to see if the precipitates dissolved, indicating an over-temperature exposure). Essentially, hardness testing and metallography together give a more complete story: one tells “how hard or strong is it,” the other tells “why it has that hardness” by revealing the structure.

Need more information?

If you have any further inquiries, don’t hesitate to reach out via our contact form. We’re always happy to assist you in finding the best solution for your metallographic sample preparation needs.

We supply you with the best instruments for your application needs

QATM Products & Contact

QATM offers a wide range of innovative and robust instruments for materialography, metallography and hardness testing. Our experts know the requirements of each branch of industry and and will be happy to assist in finding the right solution for your application.