Search

Metallographic Preparation of Copper and Its Alloys

Copper is soft and ductile: easy to work with, yet prone to surface damage during preparation. Its unique combination of properties, especially its exceptional electrical and thermal conductivity, makes it the material of choice in applications such as electrical wiring, telecommunications, heat exchangers, and kitchenware. Copper also plays a crucial role in the energy transition, being indispensable in technologies like wind turbines, solar panels, and electric vehicles. Its warm, attractive appearance further makes it popular for decorative and functional items like handles, doorknobs, countertops, and tables.

To accurately assess the microstructure of copper, careful metallographic preparation is essential, as improper handling can easily introduce artifacts like smearing or scratches caused by oxide pull-out. This guide walks you through each step in the metallographic preparation of copper and its alloys, from cutting and mounting to grinding, polishing, and etching.

Heat-treated Materials & Metallographic Sample Preparation

QATM offers products for all materialography applications

Topics

  • Overview
  • Metallographic preparation of copper
    • Cutting and mounting
    • Grinding and polishing
    • Etching
  • FAQ

Overview


Copper is a reddish, highly ductile metal with a face-centred cubic (FCC) crystal structure, known for its excellent toughness and formability. It has been used by humans for thousands of years, not only because of its natural abundance but also due to its unique combination of properties. From a metallographic perspective, copper’s microstructure requires careful preparation to reveal details such as grain size, twinning, and oxide inclusions. Accurate microstructural analysis is essential for assessing the performance of both pure copper and copper alloys.

Copper is often alloyed with various elements to enhance specific mechanical, chemical, or physical properties. Common alloying elements and their functions include:

  • Zinc (brass) – provides improved strength and excellent machinability, making it ideal for fittings and mechanical components.
     
  • Tin (bronze) – enhances corrosion resistance and wear performance, commonly used in bearings and marine hardware.
     
  • Nickel (copper-nickel alloys) – increases resistance to seawater corrosion and chemical attack, suitable for marine and heat exchanger applications.
     
  • Aluminium, silicon, and other elements – are added to optimize strength, oxidation resistance, and chemical stability for specialized uses.

Copper alloys are generally classified into two main types. Wrought alloys are mechanically processed through methods such as rolling, extrusion, or drawing to achieve the desired shape. Cast alloys, on the other hand, are shaped directly from the liquid phase, making them ideal for producing complex geometries or large components.

Metallographic Preparation of Copper and Its Alloys

Cutting and Mounting of Cu and Cu-alloys


Copper and its alloys are relatively soft and ductile materials, which allows for easy sectioning—but also increases the risk of smearing, deformation, and thermal damage if the cutting process is not properly controlled. The cutting method must therefore be carefully adapted to the material type and geometry:

  • Pure copper is especially prone to smearing and surface deformation during sectioning. To minimize these effects, use a resin-bonded silicon carbide (SiC) cut-off wheel. For normal and floor-standing cut-off machines we recommend using our NF-A cut-off wheel, which is ideally suited for soft, non-ferrous metals with hardness values up to 300 HV, ensuring clean and low-distortion cuts.
     
  • Copper alloys, such as brasses, bronzes, or Cu-Ni systems, can generally be cut using the same parameters as pure copper. However, their slightly higher hardness and reduced ductility mean they often tolerate higher feed rates or mechanical loads without compromising cut quality.

To ensure precise and damage-free sectioning, it is essential to use a precision cut-off machine with sufficient coolant flow. Low cutting speed is recommended to reduce thermal effects and smearing. The sample must be clamped securely but gently to prevent vibration or distortion, especially for thin-walled or tubular specimens, which may deform due to internal stresses when cut longitudinally. For extreme thin and pressure sensitive samples like copper tubes or ammunition we recommend mounting the sample before clamping and sectioning.

Careful cutting is a critical first step in metallographic preparation and ensures that subsequent grinding and polishing can reveal the true microstructure without interference from preparation artifacts. For this reason, wet cutting with precise cut-off machines is the best method for cutting copper samples with minimal deformation.

Cutting a cable with copper wires in it in QCUT 150 A

Cutting a cable with copper wires in it in QCUT 150 A

Cutting a copper profile in QCUT 250 A with NF-A cut-off wheel

Cutting a copper profile in QCUT 250 A with NF-A cut-off wheel

Mounting provides mechanical support during grinding and polishing and is particularly important for small, irregular, or edge-sensitive copper specimens. It ensures stable handling, protects the sample edges, and improves preparation consistency.
The preferred mounting method for copper samples due to the low annealing temperature of these samples, is cold mounting but hot mounting is also possible.
For hot mounting, we recommend using Bakelite, available in red, black, or green, for routine applications. If transparent preparation is desired (e.g., for target preparation) using THERMOPLAST is an alternative. Here the heating temperature should be below 190°C.

Cold mounting is recommended when thermal exposure must be avoided, such as in failure analysis, heat or pressure-sensitive structures, or the preparation of complex geometries. Commonly used systems include the PMMA-based resins KEM 20 and KEM 30, as well as the epoxy resin Qpox 93, which provides excellent edge retention and minimal shrinkage.

Grinding and Polishing of Cu and Cu-alloys

Proper grinding and polishing are essential for accurately revealing the microstructure of copper and its alloys. Due to copper's softness and ductility, preparation must be carefully controlled to avoid smearing, edge rounding, or surface deformation that can obscure grain boundaries or fine structural details.

The goal is to produce a flat, scratch-free, and deformation-free surface that preserves both the metallic matrix and features such as grain structure, twin boundaries, and solder or weld zones. Because copper tends to deform plastically under mechanical stress, the grinding process must be adapted accordingly.

To prevent excessive deformation during grinding, it is generally recommended to begin planar grinding with the finest practical grit size, rather than starting with coarse abrasives. This reduces the depth of surface damage and simplifies subsequent polishing steps. For grinding of copper, we recommend using silicon carbide (SiC) grinding paper, which enables controlled material removal while minimizing smearing and mechanical distortion. We recommend using DiaComplete Poly, a water-based mixture of diamond suspension and lubricant designed for fast, efficient, and reproducible polishing.

A recommended preparation sequence for copper

* Use 98-90 % Eposil F + 2-10 % H₂O₂ for the final polishing step. Without additives, polishing time should be doubled.

Copper sample after fine polishing on the edge – 100:1

Copper sample after fine polishing on the edge – 100:1

A weld seam on a copper plate after final polishing – 200:1

A weld seam on a copper plate after final polishing – 200:1

A copper cross sectional sample after final polishing – 25:1

A copper cross sectional sample after final polishing – 25:1

Etching of Cu and Cu-alloys

Etching is an essential step in the metallographic preparation of copper and its alloys. It allows microstructural features such as grain boundaries, twins, and second-phase particles to become visible under the microscope. In many cases, especially with cast alloys, etching is straightforward. However, finding the optimal etchant can be more challenging for wrought copper alloys, particularly those that have undergone extensive cold deformation. In such cases, colour etching can offer additional contrast and clarity.

Common etchants can be prepared in the laboratory using standard chemical reagents. The following table summarizes typical formulations and usage conditions:

Safety Notice: Acids must be used with caution. Wear protective equipment and follow lab safety guidelines.

Composition Etching Conditions Description
120 ml distilled water or ethanol (≥96%) , 10 g iron-(III)-chloride 1–3 minutes Visualization of the macrostructure, formation of dendrites in alpha alloys, all types of brass and Al-bronzes; grain surface etching
50 ml distilled water
50 ml nitric acid (65%)
10 – 120 seconds Visualization of the macrostructure; Grain surface etching; Etching of brass
100 ml distilled water, 10 g ammonium persulfate 10 seconds to 2 minutes; May be gently heated to intensify reaction Visualization of the microstructure (e.g.,grain boundaries and grain surfaces)
100–120 ml distilled water, 20–50 ml hydrochloric acid (32%), 5–10 g iron-(III)-chloride 10–60 seconds Etches beta phase in brass. Etching of bonze and brass.

Note: If the sample contains lead, most etchants will attack the inclusions, leaving black voids. For accurate documentation of lead distribution, images should be taken before etching.

Copper cross sectional sample after etching with Copper A iron chloride etchant – 25:1

Copper cross sectional sample after etching with Copper A iron chloride etchant – 25:1

The contact area between two copper plates after etching – 200:1

The contact area between two copper plates after etching – 200:1

The heat affected zone in a laser welded copper sample – 100:1

The heat affected zone in a laser welded copper sample – 100:1

Copper alloy after etching with Ferritic nitrate CU2 etchant – 100:1

Copper alloy after etching with Ferritic nitrate CU2 etchant – 100:1

Hardness testing of Cu and Cu alloys

Hardness testing of copper and its alloys is commonly performed using Vickers (HV), Brinell (HB), or Rockwell (HR) methods. Typical hardness values of high-purity copper range from 40 to 150 HV, while copper alloys can reach 300 HV or more. These values depend on composition, heat treatment, and degree of cold work, making hardness testing an important quality control tool. For more information about hardness testing, consult our knowledge base, where you can find detailed guidance on materialographic sample preparation and characterization.

Hardness testing of Cu and Cu alloys

Need more information?

If you have any further inquiries, don’t hesitate to reach out via our contact form. We’re always happy to assist you in finding the best solution for your metallographic sample preparation needs.

In-Depth Insights and Practical Guidance

Copper is characterized by its exceptionally high thermal and electrical conductivity, outstanding corrosion resistance, moderate strength, and good formability. The physical properties of copper can be seen in Table 1. As one of humanity’s oldest metals, copper has been used for thousands of years and remains indispensable in modern technology and industry. The study of copper and its alloys explores their structure, properties, processing, and applications, offering insights into how these versatile materials can be engineered for specific uses. There are currently more than 400 copper alloys, each offering distinct properties, and new alloys continue to be developed. These materials are engineered to meet the highest technical standards and are customized for a broad spectrum of uses.

Copper can be alloyed with a variety of different elements. Some of the most widely recognized copper alloys include various types of brass, which contain different amounts of zinc, and bronze, which is made from copper and tin. Other familiar copper alloys include Copper-Nickel alloys, Copper-Aluminum alloys, gunmetal (Cu-Sn-Zn alloy), Copper-Manganese alloys and Copper-Lead-Tin alloys. The copper family tree, designed in 2013 by the German Copper Institute (DKI), is the best representative image for illustrating copper and its alloys.

Copper family tree | Copyright DKI, 2013

Copper family tree | Copyright DKI, 2013

Pure copper
Pure copper
Copper alloys
Copper alloys
Copper as part of electronic components
Copper as part of electronic components
Characteristic Value Unit
Atomic number 29 -
Standard atomic weight 63,546 -
Density 8,96 g/cm3
Melting point 1083,4 °C
Electrical conductivity at 20°C < 60 MS/m
Thermal conductivity at 20°C 395 W (m K)
Specific heat capacity 0.38 J/gK (20-400 °C)
Enthalpy of fusion 214 J/g
Crystal structure Face Centered Cubic (FCC) -

The main objectives of metallographic investigation of copper and its alloys are:

  1. Microstructural Characterization:
    To observe and analyze the grain structure, phase distribution, and microstructure, which influence mechanical, electrical, and corrosion properties.
     
  2. Phase Identification:
    To identify the different phases present (such as solid solution, intermetallic compounds, or precipitates) resulting from alloying elements or specific thermal treatments.
     
  3. Quality Control:
    To detect and evaluate defects such as porosity, inclusions, cracks, segregation, and non-metallic impurities that can affect performance and reliability.
     
  4. Assessment of Processing Effects:
    To study the effects of manufacturing and metal forming processes (casting, forging, rolling, annealing, etc.) on the microstructure and, consequently, on the properties of the material.
     
  5. Corrosion and Degradation Analysis:
    To investigate corrosion mechanisms, evaluate the extent of degradation, and identify areas susceptible to corrosion or other forms of environmental attack.
     
  6. Failure Analysis:
    To determine the causes of failure in service by examining the microstructure at and around the fracture or failure site.
     
  7. Homogeneity and Alloy Distribution
    To assess the uniformity of alloying elements and detect any segregation or uneven distribution that could affect material performance.

Metallographic investigation provides critical insights for optimizing processing parameters, ensuring quality, and improving the performance and longevity of copper and its alloys in various applications.

The microstructure of a casting Copper alloy after etching with ferritic nitrate 10% (QATM-CU2) – 200x

The microstructure of a casting Copper alloy after etching with ferritic nitrate 10% (QATM-CU2) – 200x

The microstructure of the sintered Copper sample after etching – 200 x

The microstructure of the sintered Copper sample after etching – 200 x

Cutting

Owing to the minimal degree of deformation and limited heat generation, wet cutting is considered the most appropriate technique for cutting copper and its alloys. The inherent ductility, softness, and relatively low annealing temperature range of 200–400 °C present significant challenges during the cutting process. Typically, silicon carbide (SiC) cut-off wheels with resin bonding are the preferred choice for these materials. QATM provides resin bonded SiC cut-off wheels in diameters ranging from 100 mm to 600 mm.

For small copper components, precision cut-off machines such as the QCUT 150 A or QCUT 200 A are recommended. Features such as programmable table pulsing or variable feeding speeds across different zones of the sample enable optimal sectioning with minimal deformation and thermal impact. For larger samples, table cut-off machines like the QCUT 250 A are suitable, while for large components, floor-standing cut-off machines such as the QCUT 400–600 A ensure high-quality results. Below you will see for each of these applications one example.

Equipment Cut-off-wheel Anti-corrossion coolant Clamping tool
Qcut 150 A SiC cut-off wheel 92004998 QATM-Standard Clamping arm L
Mini vice L
Cutting method
Vertical cut (Y-axis)
Parameters
Feed speed Pulse Parameter Rotational speed
0,1 mm/s without pulse 2500 rpm

Cutting a copper tube in cross section and longitudinal in QCUT 150 A precision cut-off machine

Equipment Cut-off-wheel Anti-corrossion coolant Clamping tool
Qcut 250 A NF-A SiC cut-off wheel 95012531 QATM-Standard
95014282
2 x Qtool 60
(Z2235200)

2 x Easy-clamping base S
(Z2236030)

2 x Universal vice piccolo 100
(Z1350012)
Cutting method
Vertical cut (Y-axis)
Parameters
Feed speed Pulse Parameter Rotational speed
0,7 mm/s + 0.2 / - 0.2 mm 3015 rpm

Cutting a copper profile in QCUT 250 A table cut-off machine

Equipment Cut-off-wheel Anti-corrossion coolant Clamping tool
Qcut 400 A Metal saw blade 400x2,5x32 mm QATM-Standard 2 x Qtool 80 - 250mm
Z2231202

4 x Clamping jaw 70mm slotted
02231233
Cutting method
Crosswise: Vertical cut (Y-axis)
Longitudinal: Horizontal cut (X-axis)
Parameters
Feed speed Pulse Parameter Rotational speed
Crosswise: 5,0 - 20,0 mm/s
Longitudinal: 5,0 – 10,0 mm/s
without pulse 1000 rpm

Cutting a large copper tube in QCUT 400 A floor-standing cut-off machine using prism clamping disc.

Mounting

Mounting is required for:

  1. Unwieldy samples with small or complicated dimensions
  2. Sensitive sample material, for instance soft, brittle, fragile, porous.
  3. Combination of cuts samples in one sample.
  4. For the preservation of marginalized layers and coatings such as nitrided steels, plasma sprayed coatings or paint coating layers.
  5. To allow further processing, it is necessary for the samples to have a constant size.

Cold mounting, and UV mounting are the preferable mounting processes for copper samples. For hot mounting, it is possible to be performed but the following pointe should be considered accurately. The temperature of hot mounting should be below 190 °C, as the annealing temperature for most copper alloys, as already mentioned, is between 200 - 400 °C, and temperatures above 190 °C during hot mounting can impair the microstructure. Below are some examples the mounting process.

 

UV Mounting

Equipment Mixing ratio / Volume Curing time Mold Additional equipment
QMOUNT with UV 50 1 component mounting material 1:30 min Polypropylene
Ø 40mm
95017319
-
Notes
- First, the samples should be covered by UV 50 with wood sticks completely and placed in the Qmount for 1:30 minutes. At the end of this step, we have the covered samples.

- Subsequently, the covered samples with UV 50 should be placed once again in the PP molds. The mold should be filled completely with UV 50 and once more placed in QMOUNT for 1:30 minutes.
Samples were fixed on the bottom of the mounting moulds and covered as the first step with UV 50

Samples were fixed on the bottom of the mounting moulds and covered as the first step with UV 50

Cold mounting

Consumable Mixing ratio / Volume Curing time Mold Additional equipment
KEM 20 Powder : Liquid 2 :1 15 min Polypropylene
Ø 30 mm
Mixing cup
Mixing spoon
Mixing stick
Pressure pot
Notes
- To mount the sample without bubbles, we suggest using the pressure pot.

- The sample to be embedded must be secured to prevent it from tipping over or floating. We recommend gluing the sample to the bottom of the mould with superglue or using plastic clips.
The mounted sample

The mounted sample

Pure copper

Pure copper is a claret metal, often referred to as red copper or simply copper. It has a density of 8.92 g/cm³ and is classified as a heavy non-ferrous metal. Due to its excellent electrical and thermal conductivity, pure copper is widely used in the electrical industry, such as in coils, wires, and cables for generators and transformers. It also offers good resistance to corrosion. In humid environments, a protective layer of green alkali copper carbonate, known as patina or copper green, forms on its surface and shields the metal from further corrosion. Although pure copper has relatively low hardness and strength, it is highly ductile, allowing it to be easily processed by both cold and hot working methods into various forms including sheets, strips, wires, and pipes.

Pure copper is designated by the chemical symbol “Cu” followed by a number. A lower number indicates higher purity; for example, No. 1 (Cu-1) represents copper with 99.95% purity, while No. 2 (Cu-2) corresponds to 99.90% purity.

Pure copper mounted in KEM 20 using pressure pot

Pure copper mounted in KEM 20 using pressure pot

The pure copper sample after fine polishing and etching with ferritic nitrate (Cu2 etchant from QATM) – 200:1

The pure copper sample after fine polishing and etching with ferritic nitrate (Cu2 etchant from QATM) – 200:1

The pure copper sample after fine polishing and etching with ferritic nitrate (Cu2 etchant from QATM) – 500:1

The pure copper sample after fine polishing and etching with ferritic nitrate (Cu2 etchant from QATM) – 500:1

Measuring the grain size of pure copper sample with QPIX Control software. Grainsize: 8.3

Measuring the grain size of pure copper sample with QPIX Control software. Grainsize: 8.3

Copper alloys

The properties of pure copper are not suitable for plenty of applications, therefore adding the alloying element can broad the application of copper widely. Each alloying element can significantly improve one or more properties of pure copper, such as strength, corrosion resistance, wear properties and machinability. Some alloys can also change the color of pure copper such as Ni, Sn or Zn. Below you will find two images which summarize the effect of various alloying elements in copper alloys.

Property map for various types of low-alloyed coppers, DKI 4501

Property map for various types of low-alloyed coppers, DKI 4501

Tip of the large weld seam on a copper hairpin in a stator after fine polishing – 25:1

Tip of the large weld seam on a copper hairpin in a stator after fine polishing – 25:1

A brass sample with dendritic microstructure and eutectoid phase between the dendrites after etching with Klemm II color etchant – 100:1

A brass sample with dendritic microstructure and eutectoid phase between the dendrites after etching with Klemm II color etchant – 100:1

The brass casting sample with the famous α-β microstructure after final polishing, the lead containing inclusions can be determined with the dark blue color – 500 : 1

The brass casting sample with the famous α-β microstructure after final polishing, the lead containing inclusions can be determined with the dark blue color – 500 : 1

The eutectoid phase as gray phase between the dendrites is visible – 200:1

The eutectoid phase as gray phase between the dendrites is visible – 200:1

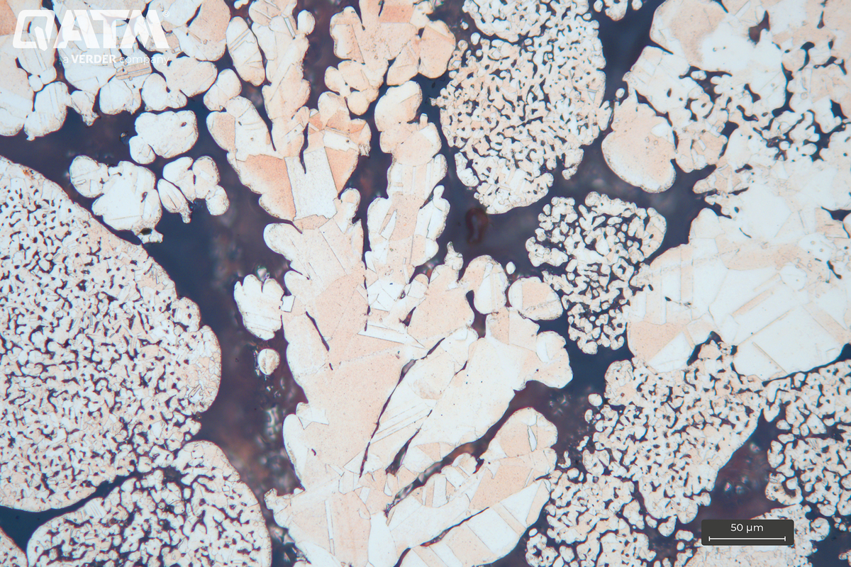
Dendritic microstructure of a casting copper alloy after etching with Copper A etchant – 25:1

Dendritic microstructure of a casting copper alloy after etching with Copper A etchant – 25:1

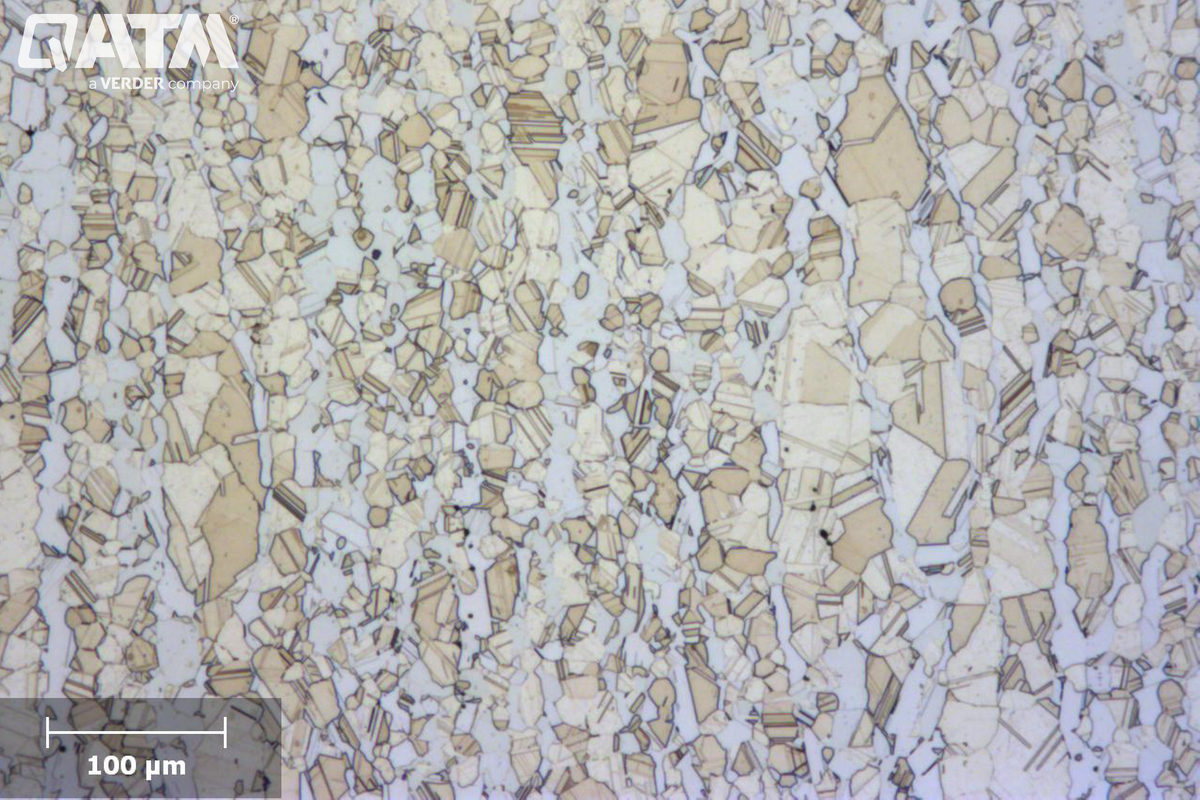
The α-β brass alloy after etching with Copper A – 100:1

The α-β brass alloy after etching with Copper A – 100:1

Weld seam on a copper hairpin after etching with ferritic nitrate CU2 etchant – 25:1

Weld seam on a copper hairpin after etching with ferritic nitrate CU2 etchant – 25:1

Copper beryllium alloy coated with silver on both sides after final polishing – 500:1

Copper beryllium alloy coated with silver on both sides after final polishing – 500:1

Copper beryllium alloy coated on both sides after etching with Copper A etchant (Fe3Cl) – 500:1

Copper beryllium alloy coated on both sides after etching with Copper A etchant (Fe3Cl) – 500:1

The brass alloy after etching with Copper A etchant. The blue lead inclusions can be observed clearly – 100:1

The brass alloy after etching with Copper A etchant. The blue lead inclusions can be observed clearly – 100:1

Copper as part of electronic components

Copper plays an important role in electronic components due to its excellent electrical conductivity, thermal conductivity, and malleability. As a primary material for wiring, printed circuit boards (PCBs), connectors, and integrated circuit leads, copper ensures efficient transmission of electrical signals and heat dissipation within electronic devices. Its low resistance reduces energy loss, making electronic components more reliable and energy efficient. Additionally, copper’s durability and resistance to corrosion contribute to the longevity of electronic devices. As technology advances and miniaturization continues, copper remains a cornerstone material, supporting the performance and innovation of modern electronics across various industries.

There are two main objectives in the metallographic preparation of electronic components. The first is to identify possible defects in the printed circuit boards (PCBs), and the second is to check the solder joints, the microstructure of individual components, and the connectivity of the parts to monitor the various stages of the manufacturing process.

Copyright global electronics association
Copyright global electronics association

The structure of the electronic components after final polishing

The structure of the electronic components after final polishing

The structure of the electronic components after final polishing

The copper parts in a PCB component after final polishing – 100:1

The copper parts in a PCB component after final polishing – 100:1

The structure of copper parts in a PCB after fine polishing. In the middle of the image the microstructure of CFRP part is also obvious – 100:1

The structure of copper parts in a PCB after fine polishing. In the middle of the image the microstructure of CFRP part is also obvious – 100:1

Vibration polishing of electronic samples

To prepare the electronic components free of any deformation and scratches, sometimes the short final polishing is not enough. In these cases, a special technique named vibration polishing comes up. This part of the preparation is done very gentle for achieving a polished surface without deformation. A special mechanism for the generation of the vibrations yields optimal energy transmission onto the specimen. As deformation and its associated layers underneath the surface distort the microstructure a preparation serving a polished surface without artefacts is of high importance.

The vibratory polishing device Qpol Vibro is designed for the virtually deformation-free preparation of specimen surfaces. 

The structure of a solder balls in the ball grid array (BGA) after vibration polishing

The structure of a solder balls in the ball grid array (BGA) after vibration polishing

Multilayer ceramic capacitor on printed circuit board after vibration polishing - 100:1

Multilayer ceramic capacitor on printed circuit board after vibration polishing - 100:1

FAQ- Metallographic Preparation of Copper and Its Alloys

Why does copper require special care during metallographic preparation?

Copper is soft and ductile, making it prone to smearing and surface deformation. Its high thermal conductivity also complicates heat control during cutting. These factors demand precise, low-force preparation methods to avoid masking microstructural details.

What makes copper alloys different from pure copper in metallography?

Copper alloys are generally harder and may contain multiple phases or grain structures. For example, brass and bronze require etchants that highlight phase differences. Some alloys also etch non-uniformly or exhibit selective corrosion.

How can smearing be minimized during grinding and polishing?

Use fresh, sharp abrasives with low to moderate pressure. Avoid long polishing cycles. Clean between each step and ensure consistent lubricant dosing to prevent dragging of soft metal across the surface.

What is the best way to reveal grain structure in copper?

Polish to a mirror finish followed by brief etching with ferric chloride or ammonium persulfate solution. Adjust the etching time carefully and observe under brightfield illumination for grain contrast

Which cut-off wheel is the right choice for sectioning of copper?

For optimal results when sectioning copper, we recommend using a resin-bonded silicon carbide (SiC) wheel, such as the QATM NF-A cut-off wheel. Specifically designed for soft, non-ferrous metals with hardness values up to 300 HV, the NF-A minimizes smearing and surface deformation - common issues when working with copper due to its softness.

Can copper samples corrode during preparation?

Copper is reactive and can corrode if left wet or exposed to air. Always rinse with ethanol after final polishing and dry with warm air. Use water-free lubricants when possible.

After final polishing, scratches from the 3 micrometer step are still visible. What can I do?

Ensure that all polishing cloths are thoroughly cleaned using a clean brush under running water to remove any residual abrasive particles. Also rinse the specimens and the sample holder. Then repeat the final polishing step. This helps prevent contamination and improves the final surface quality.

Which grinding and polishing machines are suitable for the preparation of copper and its alloys?

Due to its softness, copper and its alloys can be challenging to prepare manually. Manual preparation often leads to issues such as sample slanting or uneven material removal, which can compromise the quality of the results. To ensure consistent, flat surfaces and reproducible outcomes, we recommend using (semi-)automatic grinding and polishing machines, such as the QATM Qpol or Saphir series.

Need more information?

If you have any further inquiries, don’t hesitate to reach out via our contact form. We’re always happy to assist you in finding the best solution for your metallographic sample preparation needs.

We supply you with the best instruments for your application needs

QATM Products & Contact

QATM offers a wide range of innovative and robust instruments for materialography, metallography and hardness testing. Our experts know the requirements of each branch of industry and and will be happy to assist in finding the right solution for your application.